Why is the capacitance of the Y capacitor basically no more than 0.1uF?
Y电容是安规电容的一种,安规电容是指用于这样的场合:即电容器失效后,不会导致电击也不会不危及人身安全。也就是因为这样安规电容与其他普通的电容有着不一样的地方,普通的电容在电源断开之后很长一段时间还会保留一定残留电压,一旦手触碰到就会发生电击,而安规电容却不会。
Y电容大多数为蓝色,但是也有黄色的,由于是安全电容,因此Y电容上面一般都会标有相关的认证,例如CQC、VDE、UL等认证,如图1。

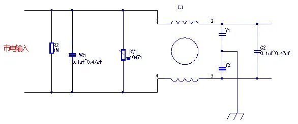
The Y capacitor is usually connected between the neutral line and the ground or between the live wire and the ground, as shown in Figure 2, which is the I-level EMI filter circuit. Y1 and Y2 are the Y capacitors, and they are usually connected in series together.

For switching power supplies, the Y capacitor is usually connected between the primary side and the secondary side (as shown in Figure 3), and the Y capacitor can provide a return path for the interfering current that couples from the primary side to the secondary side.

So, why can't the capacitance of the Y capacitor be too large?
We know that the Y capacitor is very helpful for EMC. Since it is a common-mode capacitor, it needs to be grounded, and thus there will be a leakage current. Let's take the above EMI filtering circuit as an example:
Capacitor leakage current Y = 2πfCU
Among them:
f represents the mains frequency, which is 50Hz.
The total capacitance of capacitor C is 4700pF. 4700pF equals 9400pF.
The voltage between the ground and the terminal is U. Here, we can take 110V as the value.
Then it can be calculated that the leakage current is as much as 0.32 mA.
And it will be found that the leakage current is directly proportional to the capacity. That is to say, the larger the capacity, the greater the leakage current. For electrical appliances powered by 220V/50Hz AC power grids, many countries stipulate that the leakage current must not exceed 1mA; for other electrical products such as handheld and mobile devices, there are different requirements for the leakage current. Therefore, if a power supply product needs to be connected with a Y capacitor, the capacity is generally not very large, and sometimes even the Y capacitor is removed. Therefore, the capacity of the Y capacitor that we often see is basically no more than 0.1uF.
acitance of the Y capacitor be too large?

Related News









